首頁 > 產品研發 > 定壓補水系列 > 常壓式真空脫氣定壓補水裝置 >
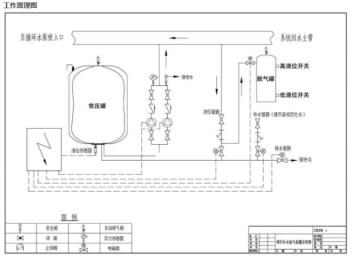
1、自動定壓,自動補水,自動泄水,自動脫除系統內游離氣體,溶解氣體。
2、運行參數任意設定,適用于任何密閉定壓補水場所。
3、節約能源,自動讀取系統信息。
4、脫氣效率和脫氧效率>99%。
5、脫除系統中的氣體,防止氣阻,保證系統正常運行期間穩定可靠,延長設備使用時間。
6、脫氣機工作時間和周期可根據需要調節。
7、占地面積小,安裝使用方便,全自動運行,安全可靠,易于維修保養。
8、可大大縮短供熱或冷卻系統初次注水后的排水時間,極有利于系統的初次調試運行。


常壓式真空脫氣定壓補水裝置
產品推薦